FC610-D: Kipas 3 Kecepatan atau Kipas EC, Katup On/off atau Katup 0-10V
Komunikasi: Wifi(Tuya), RS485
Port input kontak jendela/kontak kartu kamar
Sensor eksternal
Warna: Hitam/Abu-abu/Emas
Tipe Sensor: Sensor suhu kelembapan/Sensor TVOC/Sensor CO2
Sumber daya: 100-240VAC+10% 50/60HZ
Rentang Set Temp.: 1~50°C
Ketepatan Kontrol: ±1°C
Dimensi Bentuk: Diameter 86*33.5mm
Arus Beban: <3A
Dimensi Kotak Daya: 52*52*22mm
Dimensi Tampilan: Diameter 53mm
Berat Bersih: 450g
FC610-D
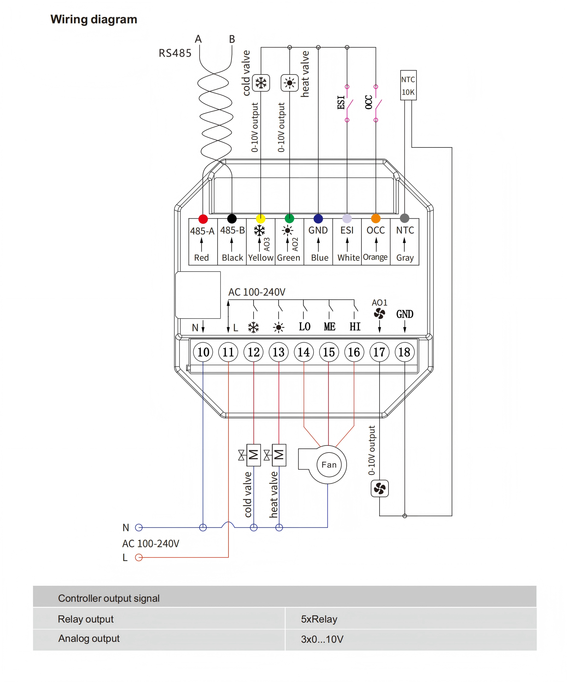
Termostat Dual-Ring FC610, dengan pengendali mikrokomputer dan teknologi komunikasi Wi-Fi untuk mendeteksi perbedaan suhu antara suhu ruangan dan suhu pengaturan, kemudian melalui pengendalian kipas, katup ON/OFF, dan katup modulasi guna menjaga suhu ruangan tetap nyaman dan konstan. Produk seri ini cocok untuk mengendalikan fan coil dua pipa atau empat pipa, katup motorik dua kawat atau tiga kawat, kipas tiga tahap, kipas EC, serta sistem pemanas lantai berbasis air. Anda juga dapat mengendalikan termostat ini dari mana saja melalui aplikasi (APP) di ponsel Anda, serta dilengkapi antarmuka RS485 satu arah ke sistem kontrol BMS untuk memungkinkan pengendalian dan manajemen terpusat.






Nilai pengukuran |
Suhu |
||
Kontak sakelar output |
Terminal 12 | 13
2 kontak normal terbuka, beban maksimal 250 V, 3 A
(pemanasan & pendinginan melalui kontrol dua titik)
|
Terminal 14 | 15 | 16 – RENDAH | SEDANG | TINGGI
3x kontak normal terbuka, beban maks. 250 V, 3 A,
Kipas
|
|
Tegangan Keluaran |
Terminal Hijau | Kuning
2x 0..10 V untuk pemanasan dan pendinginan
|
Terminal 17
1x 0..10 V untuk kipas
|
|
Input |
Terminal Abu-abu
Input untuk sensor eksternal NTC 10K
|
Terminal Putih – ESI | DP
Input digital untuk kontak apung, kontak jendela, sensor titik embun
|
Terminal Oranye – OCC
Input digital untuk kontak apung, sensor okupansi, sakelar kartu kunci
|
Teknologi jaringan |
RS485 Modbus, RTU, half-duplex, kecepatan baud 4.800, 9.600, 19.200 atau 38.400, parity: tidak ada (2 bit stop), genap atau ganjil (1 bit stop) WI 2.4G komunikasi nirkabel |
||
Pasokan daya |
100-240VAC 50/60HZ |
||
Konsumsi daya |
Maks. 3W |
||
Arus beban maksimum |
<3A |
||
Rentang pengukuran suhu. |
+1~+50 °C |
||
Ketepatan suhu |
±1K (tipikal pada 21 °C) |
||
Fungsi kontrol |
Penyesuaian titik set +1. +50 °C, (default +16. +30 °C) |
||
Tampilan |
LCD Ø49 mm, latar belakang hitam dengan penerangan putih |
||
Penutup |
Unit daya: Tahan api PC+ABC Unit tampilan: Paduan Alumunium + Kaca tempered 3D berbentuk lengkung tinggi |
||
Perlindungan |
IP20 sesuai dengan EN 60529 |
||
Pemasukan kabel |
Masuk dari belakang |
||
Koneksi Listrik |
Blok terminal maks. 1,5 mm² |
||
Kondisi lingkungan |
-10. +50 °C, maks. 95% rH non-kondensasi |
||
Pemasangan |
Ditempatkan rata dengan kotak dinding standar 86*86 (Ø=60 mm) |
||
Dimensi(L*W*H) |
86*86*61mm |
||


